有关数字隔离器的七大设计问题
您是否正在搜寻有关数字隔离器的更多信息?我们将为您提供帮助。根据 TI E2E™ 社区的反馈,我们搜集并整理了关于数字隔离器设计攻关的最常见问题清单。希望这份清单能为您提供隔离信号与电源的有用见解。
1.基础型和增强型数字隔离器至简的区别是什么?
基础型数字隔离器必须根据组件级标准,通过一套测试,如 Deutsches Institut für Normung (DIN) V Verband der Elektrotechnik, Elektronik und Informationstechnik (VDE) V 0884-11。DIN V VDE V 0884-11 定义了隔离器可以耐受的电压水平,比如最大浪涌隔离电压,VIOSM;最大瞬态隔离电压,VOITM;及最大重复峰值隔离电压,VIORM(参见白皮书“高压增强型隔离:定义与测试方法”中的解释)。增强型数字隔离器,除通过这些测试外,还必须通过最小浪涌电压测试等级 10,000 VPK.测试。
2.能为数字隔离器两端施加不同的电压吗?
可以。数字隔离器可以在建议的工作条件下为设备两端供电。由于隔离势垒隔离了两端,每端均可在建议的工作条件下独立施加任意电压值。举例来说,可以为 ISO7721 施加 3.3 V VCC1(在 2.25 V - 5.5 V 之间)和 5 V VCC2(也在 2.25 V - 5.5 V 之间)。除构建隔离外,通过这种方法,您还可以把数字隔离器用作逻辑电平转换器。隔离器两端相互独立。
3.数字隔离器信号电压可以异于它的电源电压吗?
不能。数字隔离器的输入/输出信号电压取决于它的电源电压。因此,如果要使数字隔离器兼容它所对接的设备,最好是保持信号电压与隔离器电源电压相同。例如,如果 ISO7721 的电源电压为 5 V,它对接微控制器(MCU),那么很重要的一点就是 MCU 信号也工作在 5V 逻辑电平。
4.无输入信号的数字隔离器的逻辑状态是什么?
如果数字隔离器的输入通道无电压或者说引脚保留为浮置,它相应的输出引脚为预定义状态(称为默认状态或故障保护状态),可能为低,也可能为高,这取决于所选的设备。设备部件编号的后缀“F”,指示该隔离器输出通道的默认状态。例如,ISO7721DWR 中没有 F,则表示该设备的默认状态为高。同样的,ISO7721FDWR 中有 F,则表示该设备的默认状态为低。
5.能把数字隔离器没用的通道引脚保留为浮置吗?
不能。数字隔离器未用通道的输入引脚可出于测试目的保留为浮置,但在应用中,浮置未用引脚会导致产品的抗噪度下降。
浮置的引脚尤其当系统进行电磁兼容性(EMC)/免疫测试时,更易于拾取噪音。为使系统对此种噪音免疫,最佳做法是将通道输入锁定在各自的默认逻辑状态。
例如,对于 ISO7721DWR 来说,最佳做法是将不用的信号输入引脚通过上拉电阻连接到它的 VCC(首选 4.7-kΩ 电阻)。对于 TI ISO7721FDWR,最好是将不用的信号输入引脚接至它的接地引脚。对于这两种设备,所有不用通道的输出引脚最好都不要连接。
6.如何确定数字隔离器的功耗?
您可以根据其数据表列出的规格来计算数字隔离器的功耗。找到与输入电压(2.5 V、3.3 V 和 5 V)对应的电源电流特性表。在这个表格中,找到最接近于您的应用信号速度的数据传输率。数据表中将列出针对该特定数据传输率的电流消耗,分别作为隔离势垒各端的电流(ICC1 和 ICC2)。将这两个电流值相加,您将获得工作条件下的设备总电流消耗。用这个总电流消耗除以数字隔离器的通道数,就得到了每个通道的电流消耗。某些数据表还分别提供每个通道的总供电电流。例如,ISO7041 数据表显示了每通道参数总供电电流下的典型电流消耗为 4.2 µA,它是 ICC1(ch) 与 ICC2(ch) 电流的和。
7.如何为数字隔离器构造隔离型电源?
为数字隔离器构造隔离型电源有几种可选的方法;最佳解决方案须视具体的应用需要而定。
一个选择是使用 TI SN6501这样的变压器驱动器,此种驱动器可用于具有次级侧变压器和可选整流低压差稳压器的推挽式配置(图 1)。SN6501的功率高达1.5 W,可作为隔离型电源。此设备具有高度灵活性,几乎可用在所有应用中。这是因为变压器和匝数比能为电源提供必要的隔离等级和输出电压。如果您需要为其他设备提供隔离电源,则可使用 SN6505x 而不是 SN6501,获得高达 5 W 的输出功率。SN6505 具有额外的保护特性,例如过载和短路、热关断、软启动和压摆率控制等,方便设计人员构筑稳健的解决方案。

图 1:运用 SN6501 构建 ISO7741 的隔离型电源
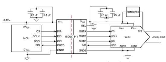
另一个针对空间受限应用的可选方法是ISOW78xx系列设备,包括 ISOW7841,该系列可在 16 引脚小型塑封集成电路封装中提供信号和电源隔离。如图 2 所示,这种组合占空间小;不需要变压器,也易于通过认证。

图 2:运用 ISOW7841 通过集成信号和电源打造数字隔离器
我们还遗漏了什么问题吗?
如果您想寻找更多有关数字隔离器的信息,或者想为这份清单添加问题,请在下方留言,帮助我们继续探讨。
关于德州仪器
关于德州仪器公司DLP®产品事业部:
自1996年以来,德州仪器公司的DLP显示技术屡获殊荣,为全球顶级的显示设备提供色彩丰富、对比鲜明、 高清靓丽的优秀画质,已广泛应用于包括智能显示技术在内的各种装置。利用DLP的智能显示功能,用户可在诸如汽车、医疗和互动投影等各种应用中与内容互 动。从影院(DLP Cinema®)到大型专业展厅,从会议室、教室到家庭影院,DLP的技术贯穿其中。此外,DLP Pico™使移动设备能够在您手中轻易地投影出画面。每一块DLP芯片的核心是由多达800万块显微镜所排成的阵列,它们超高速切换。凭借速度优 势,DLP技术可提供最尖端的应用。
更多信息请访问:www.dlp.com/cn/
关于德州仪器的创新:
80 多年来,德州仪器一直行走在科技创新前沿,其所生产的更高集成性、更快速且更节能的产品总能带给客户与众不同的感受。今天,随着能量采集、能源管理、云计 算、安全性、医疗健康技术等方面的进步,我们正在构建新的未来。更多关于德州仪器的模拟和嵌入式处理产品在现在以及将来如何改善人们生活、工作和娱乐方式的信息,敬请访问www.ti.com/innovation
关于德州仪器:
德州仪器 (TI) 半导体提供创新技术帮助全球90,000家客户开启未来世界无限可能。德州仪器致力于打造更智能、更安全、更环保、更健康以及更精彩的生活。我们把构建美 好未来的承诺付诸于日常言行的点滴,从高度负责地生产半导体产品,到关爱员工、回馈社区。这一切仅是德州仪器实践承诺的开始。更多详情,敬请查阅 www.TI.com.cn
DLP 和 DLP Cinema 为德州仪器公司注册商标。
联系德州仪器
免责声明:本文来源于德州仪器,本文仅代表作者个人观点,本站不作任何保证和承诺,若有任何疑问,请与本文作者联系。
最新动态更多
- 实力承载 视觉探秘—— NEC魔幻秀《浪淘沙̶
- “黑河之眼”刷屏抖音朋友圈,利亚德“中国屏”
- 台达激光DLP显示系统,为华北某省气象局打造气象
- 【走进深圳】光视讯:专注研发创新 卓越产品品质
- 美视实力产品出货--500吋大型M工程银幕
- 闪耀一带一路 国画再续世博缘 ——中航国画激光
- 朗恒科技TVO-3H无压缩HDMI视频光端机用于4K拼接
- 5G大机遇下的两化融合发展之路暨两化百人会俱乐
- 传统拼接处理器与分布式拼接处理器的区别
- 顶尖数字艺术家云集 法国梅茨夏季星海艺术文化节
- 【走进深圳】库帕:打造差异化核心竞争优势
- 你知道光端机吗?对它的工作原理熟悉吗?
- 会展 | newline亮相2019北京部委央企及大型企业
- 从“人脸识别”向前一步 AI识别对象不断拓展

















官方微博